
What is the end error in meter bridge ? How to overcome it ? The resistances in two arms of meter bridge are $R = 5\Omega $ and S respectively when resistance S is shunted with equal resistance, the new balancing length found to be $1.5\ell $, where $\ell $, is initial balancing length. Calculate value of S.
Answer
584.1k+ views
Hint:A meter bridge end error occurs due to shifting of zero. We will write the proper definition in the solution section. Here we can understand what is the end error in simple language.See, we need to stretch the 1m wire in between two clamps so, to fix the wire we will make a loop on both the sides around the clamping screw. So a little length of wire can be more or less on both sides.And now the effective lengths of the meter bridge can be $ < / > $ 1 meter.
Complete step by step answer:
End error : The shifting of zero of the scale at different points as well as the stray resistance due to non-uniformity of metal wire gives rise to end error in meter bridge.
How to overcome and error
End error can be removed by repeating the experiment by interchanging unknown and known resistance and finally taking the mean value of resistance obtained in each experiment.
Now we will solve the second part of the given question.
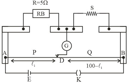
It is given that resistance of two arms are $R = 5\Omega $ and $S\Omega $
By wheatstone bridge principle
$\dfrac{R}{S} = \dfrac{{{\ell _1}}}{{100 - {\ell _1}}}$
Where ${\ell _1}$ and $100 - {\ell _1}$ are AD and DB respectively.
So, $\dfrac{R}{{{\ell _1}}} = \dfrac{S}{{100 - {\ell _1}}}$ …..(1)
After showing resistance S by equal resistance, the new balancing length is $1.5\ell $. Here shunting is connecting parallel resistance.
So, after shunting :
Now resistance, $S' = \dfrac{1}{S} + \dfrac{1}{S} = \dfrac{2}{S}$
Or, $S' = \dfrac{S}{2}$
It is given that now balancing length is $1.5{\ell _1}$.
Using whether stone bridge principle, $\dfrac{R}{{S'}} = \dfrac{{\ell i}}{{(100 - \ell i)}}$
Or, $\dfrac{R}{{\ell i}} = \dfrac{{S'}}{{(100 - \ell i)}}$
Here, $\ell _1^2 = 1.5{\ell _1}$ $S' = \dfrac{S}{2}$
So, $\dfrac{R}{{1.5{\ell _1}}} = \dfrac{{S/2}}{{(100 - 1.5{\ell _1})}}$
$\Rightarrow \dfrac{R}{{{\ell _1}}} = \dfrac{{1.5 \times S}}{{2(100 - 1.5{\ell _1})}}$ …..(2)
From equation (1) and (2)
$\Rightarrow \dfrac{R}{{{\ell _1}}} = \dfrac{S}{{100 - {\ell _1}}} = \dfrac{{1.5 \times S}}{{2(100 - 1.5{\ell _1})}}$
$\Rightarrow \dfrac{1}{{100 - {\ell _1}}} = \dfrac{{1.5}}{{2(100 - 1.5{\ell _1})}}$
$\Rightarrow 2(100 - 1.5{\ell _1}) = 1.5(100 - {\ell _1})$
$\Rightarrow 200 - 3.0{\ell _1} - 150 - 1.5{\ell _1}$
$\Rightarrow 50 = 1.5{\ell _1}$
$\Rightarrow {\ell _1} = \dfrac{{50}}{{1.5}} = \dfrac{{500}}{{15}}$
$\Rightarrow {\ell _1} = \dfrac{{100}}{3}cm$ …..(3)
By substituting value of ${\ell _1}$ from equation (3)
In equation (1) i.e., $\dfrac{R}{{{\ell _1}}} = \dfrac{S}{{(100 - {\ell _1})}}$
$\Rightarrow \dfrac{R}{{(100/3)}} = \dfrac{S}{{\left[ {100 - \dfrac{{100}}{3}} \right]}}$
It is given that $R = 5\Omega $
$\Rightarrow \dfrac{{5 \times 3}}{{100}} = \dfrac{{3S}}{{(300 - 100)}}$
$\Rightarrow \dfrac{{15}}{{100}} = \dfrac{{3S}}{{200}}$
$\Rightarrow 5 = \dfrac{S}{2}$
$\Rightarrow S = 10\Omega $
Therefore the value of S is $10\Omega $.
Note: To get balancing length of meter bridge, deflection in galvanometer should be 0. Only then we can use the formula of wheatstone bridge.
Complete step by step answer:
End error : The shifting of zero of the scale at different points as well as the stray resistance due to non-uniformity of metal wire gives rise to end error in meter bridge.
How to overcome and error
End error can be removed by repeating the experiment by interchanging unknown and known resistance and finally taking the mean value of resistance obtained in each experiment.
Now we will solve the second part of the given question.
It is given that resistance of two arms are $R = 5\Omega $ and $S\Omega $
By wheatstone bridge principle
$\dfrac{R}{S} = \dfrac{{{\ell _1}}}{{100 - {\ell _1}}}$
Where ${\ell _1}$ and $100 - {\ell _1}$ are AD and DB respectively.
So, $\dfrac{R}{{{\ell _1}}} = \dfrac{S}{{100 - {\ell _1}}}$ …..(1)
After showing resistance S by equal resistance, the new balancing length is $1.5\ell $. Here shunting is connecting parallel resistance.
So, after shunting :
Now resistance, $S' = \dfrac{1}{S} + \dfrac{1}{S} = \dfrac{2}{S}$
Or, $S' = \dfrac{S}{2}$
It is given that now balancing length is $1.5{\ell _1}$.
Using whether stone bridge principle, $\dfrac{R}{{S'}} = \dfrac{{\ell i}}{{(100 - \ell i)}}$
Or, $\dfrac{R}{{\ell i}} = \dfrac{{S'}}{{(100 - \ell i)}}$
Here, $\ell _1^2 = 1.5{\ell _1}$ $S' = \dfrac{S}{2}$
So, $\dfrac{R}{{1.5{\ell _1}}} = \dfrac{{S/2}}{{(100 - 1.5{\ell _1})}}$
$\Rightarrow \dfrac{R}{{{\ell _1}}} = \dfrac{{1.5 \times S}}{{2(100 - 1.5{\ell _1})}}$ …..(2)
From equation (1) and (2)
$\Rightarrow \dfrac{R}{{{\ell _1}}} = \dfrac{S}{{100 - {\ell _1}}} = \dfrac{{1.5 \times S}}{{2(100 - 1.5{\ell _1})}}$
$\Rightarrow \dfrac{1}{{100 - {\ell _1}}} = \dfrac{{1.5}}{{2(100 - 1.5{\ell _1})}}$
$\Rightarrow 2(100 - 1.5{\ell _1}) = 1.5(100 - {\ell _1})$
$\Rightarrow 200 - 3.0{\ell _1} - 150 - 1.5{\ell _1}$
$\Rightarrow 50 = 1.5{\ell _1}$
$\Rightarrow {\ell _1} = \dfrac{{50}}{{1.5}} = \dfrac{{500}}{{15}}$
$\Rightarrow {\ell _1} = \dfrac{{100}}{3}cm$ …..(3)
By substituting value of ${\ell _1}$ from equation (3)
In equation (1) i.e., $\dfrac{R}{{{\ell _1}}} = \dfrac{S}{{(100 - {\ell _1})}}$
$\Rightarrow \dfrac{R}{{(100/3)}} = \dfrac{S}{{\left[ {100 - \dfrac{{100}}{3}} \right]}}$
It is given that $R = 5\Omega $
$\Rightarrow \dfrac{{5 \times 3}}{{100}} = \dfrac{{3S}}{{(300 - 100)}}$
$\Rightarrow \dfrac{{15}}{{100}} = \dfrac{{3S}}{{200}}$
$\Rightarrow 5 = \dfrac{S}{2}$
$\Rightarrow S = 10\Omega $
Therefore the value of S is $10\Omega $.
Note: To get balancing length of meter bridge, deflection in galvanometer should be 0. Only then we can use the formula of wheatstone bridge.
Recently Updated Pages
Master Class 12 Economics: Engaging Questions & Answers for Success

Master Class 12 Physics: Engaging Questions & Answers for Success

Master Class 12 English: Engaging Questions & Answers for Success

Master Class 12 Social Science: Engaging Questions & Answers for Success

Master Class 12 Maths: Engaging Questions & Answers for Success

Master Class 12 Business Studies: Engaging Questions & Answers for Success

Trending doubts
Which are the Top 10 Largest Countries of the World?

What are the major means of transport Explain each class 12 social science CBSE

Draw a labelled sketch of the human eye class 12 physics CBSE

Why cannot DNA pass through cell membranes class 12 biology CBSE

Differentiate between insitu conservation and exsitu class 12 biology CBSE

Draw a neat and well labeled diagram of TS of ovary class 12 biology CBSE

