
Find the value of \[{{R}_{L}}\] for maximum power transfer in the circuit and find the maximum power.
Answer
503.7k+ views
Hint: Maximum power transfer theorem is particularly useful for analyzing communication networks because in communication engineering it is usually desirable to deliver maximum power to a load. Electronic amplifiers in radio and television receivers are so designed to do this as it does not matter that an equal amount of power is lost in the process.
Complete step-by-step solution:
Maximum power transfer theorem is stated as follows:
A resistive load, served through a resistive network, will abstract maximum power when the load resistance value is the same as the resistance “viewed by the load as it looks back into the network “.This is called the output resistance of the network or the resistance presented to the output terminals by the network. It is the resistance we called ${{R}_{T}}$ in explaining Thevenin’s theorem. The load resistance ${{R}_{L}}$ will draw maximum power drawn will be equal to ${{R}_{T}}$ i.e.,${{R}_{L}}={{R}_{T}}$ and the maximum power drawn will be equal to $\dfrac{{{V}_{OC}}^{2}}{4{{R}_{L}}}$ where ${{V}_{OC}}$ is the open-circuit voltage at the terminals from which ${{R}_{L}}$has been disconnected.
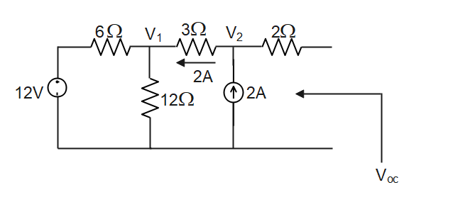
To find ${{R}_{T}}$in the given circuit short circuit the voltage source and open circuit the current source.
$\begin{align}
& {{R}_{T}}=(\dfrac{6\times 12}{6+12})+3 \\
& {{R}_{T}}=4+3=7\Omega \\
\end{align}$
To find ${{V}_{OC}}$ remove the load resistor
${{V}_{OC}}={{V}_{2}}$
Apply KCL to the circuit
$\begin{align}
& \dfrac{{{V}_{1}}-12}{6}+\dfrac{{{V}_{1}}}{12}=2 \\
& \Rightarrow 0.166{{V}_{1}}-2+0.083{{V}_{1}}=2 \\
& \Rightarrow 0.2493{{V}_{1}}=4 \\
& {{V}_{1}}=\dfrac{4}{0.2493}=16V \\
\end{align}$
$\begin{align}
& {{V}_{2}}={{V}_{1}}+IR \\
& {{V}_{2}}=16+(2)3 \\
& {{V}_{2}}=22V \\
\end{align}$
${{V}_{OC}}=22V$
Maximum power transfer will happen when ${{R}_{L}}={{R}_{T}}$
From maximum power transfer theorem
${{P}_{Max}}=\dfrac{\dfrac{1}{4}{{V}_{OC}}^{2}}{{{R}_{L}}}$
After substituting
$\begin{align}
& {{P}_{Max}}=\dfrac{\dfrac{1}{4}{{(22)}^{2}}}{7} \\
& {{P}_{Max}}=17.28watt \\
\end{align}$
The maximum power is equal to 17.28watt.
Note: Students similarly for a current source the power transferred will be maximum when load conductance is equal to source conductance and maximum power transferred is ${{P}_{Max}}=\dfrac{\dfrac{1}{4}{{V}_{OC}}^{2}}{{{R}_{L}}}$. It is important to make maximum use of power available for driving a loudspeaker.SI unit of power is watt (W).
Complete step-by-step solution:
Maximum power transfer theorem is stated as follows:
A resistive load, served through a resistive network, will abstract maximum power when the load resistance value is the same as the resistance “viewed by the load as it looks back into the network “.This is called the output resistance of the network or the resistance presented to the output terminals by the network. It is the resistance we called ${{R}_{T}}$ in explaining Thevenin’s theorem. The load resistance ${{R}_{L}}$ will draw maximum power drawn will be equal to ${{R}_{T}}$ i.e.,${{R}_{L}}={{R}_{T}}$ and the maximum power drawn will be equal to $\dfrac{{{V}_{OC}}^{2}}{4{{R}_{L}}}$ where ${{V}_{OC}}$ is the open-circuit voltage at the terminals from which ${{R}_{L}}$has been disconnected.
To find ${{R}_{T}}$in the given circuit short circuit the voltage source and open circuit the current source.
$\begin{align}
& {{R}_{T}}=(\dfrac{6\times 12}{6+12})+3 \\
& {{R}_{T}}=4+3=7\Omega \\
\end{align}$
To find ${{V}_{OC}}$ remove the load resistor
${{V}_{OC}}={{V}_{2}}$
Apply KCL to the circuit
$\begin{align}
& \dfrac{{{V}_{1}}-12}{6}+\dfrac{{{V}_{1}}}{12}=2 \\
& \Rightarrow 0.166{{V}_{1}}-2+0.083{{V}_{1}}=2 \\
& \Rightarrow 0.2493{{V}_{1}}=4 \\
& {{V}_{1}}=\dfrac{4}{0.2493}=16V \\
\end{align}$
$\begin{align}
& {{V}_{2}}={{V}_{1}}+IR \\
& {{V}_{2}}=16+(2)3 \\
& {{V}_{2}}=22V \\
\end{align}$
${{V}_{OC}}=22V$
Maximum power transfer will happen when ${{R}_{L}}={{R}_{T}}$
From maximum power transfer theorem
${{P}_{Max}}=\dfrac{\dfrac{1}{4}{{V}_{OC}}^{2}}{{{R}_{L}}}$
After substituting
$\begin{align}
& {{P}_{Max}}=\dfrac{\dfrac{1}{4}{{(22)}^{2}}}{7} \\
& {{P}_{Max}}=17.28watt \\
\end{align}$
The maximum power is equal to 17.28watt.
Note: Students similarly for a current source the power transferred will be maximum when load conductance is equal to source conductance and maximum power transferred is ${{P}_{Max}}=\dfrac{\dfrac{1}{4}{{V}_{OC}}^{2}}{{{R}_{L}}}$. It is important to make maximum use of power available for driving a loudspeaker.SI unit of power is watt (W).
Recently Updated Pages
A man running at a speed 5 ms is viewed in the side class 12 physics CBSE

The number of solutions in x in 02pi for which sqrt class 12 maths CBSE

State and explain Hardy Weinbergs Principle class 12 biology CBSE

Write any two methods of preparation of phenol Give class 12 chemistry CBSE

Which of the following statements is wrong a Amnion class 12 biology CBSE

Differentiate between action potential and resting class 12 biology CBSE

Trending doubts
What are the major means of transport Explain each class 12 social science CBSE

Which are the Top 10 Largest Countries of the World?

Draw a labelled sketch of the human eye class 12 physics CBSE

Explain sex determination in humans with line diag class 12 biology CBSE

Explain sex determination in humans with the help of class 12 biology CBSE

Differentiate between homogeneous and heterogeneous class 12 chemistry CBSE

