
In the figure shown, battery 1 has emf =6V ,internal resistance =1Ω . Battery 2 has emf= 2V and internal resistance =3Ω. The wire has negligible resistance. What is the potential difference across the terminals of battery 2 ?

A) 4V
B) 1.5V
C) 5V
D) 0.5V
Answer
232.5k+ views
Hint: Using Kirchhoff’s Second Law (Voltage Law) , first we will calculate the value of current across the circuit. After obtaining the value of current we will calculate the voltage drop across the second battery.
Complete step by step solution:
We will solve this question using Kirchhoff’s Second Law ,which states-“ The algebraic sum of change in potential around a closed loop is zero”. Mathematically,\[\sum {V = 0} \].
Applying second law,
1. Choose a loop. The loop should be closed. The loop can involve any number of cells, resistors, capacitors etc.
2. Draw current from one cell( usually with a larger emf) , and follow Kirchhoff’s Current Law for distribution of current.
3. Decide the direction of current –clockwise/anticlockwise as per your convenience.
4. Take voltage as positive or negative i.e. if the current is moving from higher potential to lower potential ,take voltage drop NEGATIVE. If the current is moving from lower potential to higher potential, take voltage drop POSITIVE.
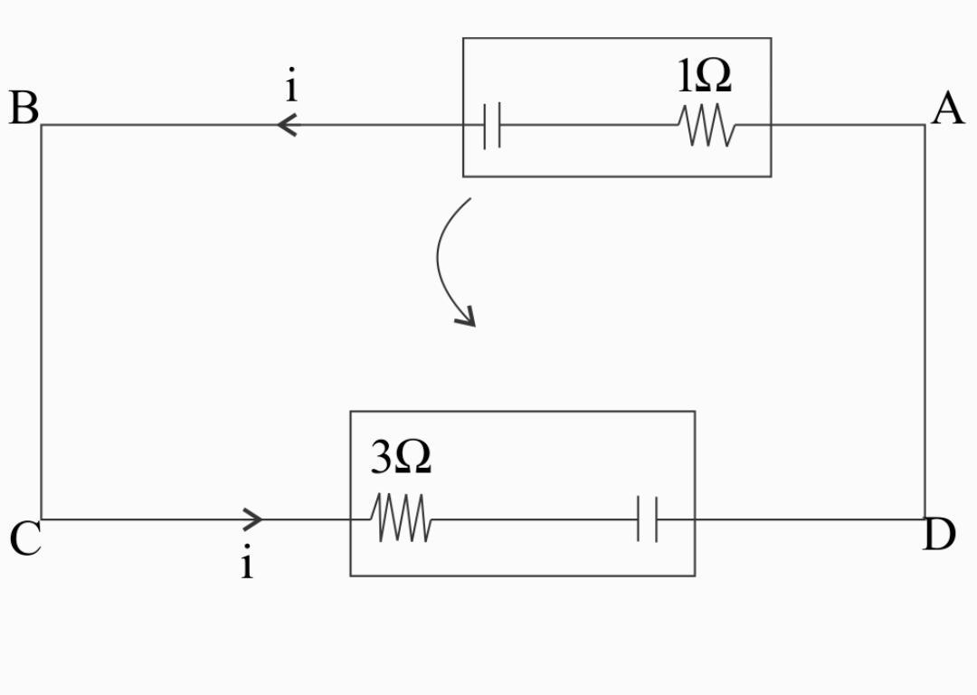
5. Drawing the circuit diagram as per above steps, we get-
6. Using loop rule, let the current in the circuit be $i$. Using battery 1 as source battery( the current is being withdrawn from the first battery).
We have a value of 1A.
7. Potential difference across battery 2 is given by-
${V_2} = {E_2} + i{R_2}$ ( getting charged)
$
{V_{2 = }}2 + 1{R_2} \\
{V_2} = 2 + 3 \\
{V_2} = 5 \\
$
The voltage drop across battery 2 is 5V.
Hence, option (C) is correct.
Note: Kirchhoff’s Second Law is based on the principle of conservation of energy.
Kirchhoff’s First Law , generally known as KCL( Kirchhoff’s Current Law ) is based on the principle of conservation of charge.
Complete step by step solution:
We will solve this question using Kirchhoff’s Second Law ,which states-“ The algebraic sum of change in potential around a closed loop is zero”. Mathematically,\[\sum {V = 0} \].
Applying second law,
1. Choose a loop. The loop should be closed. The loop can involve any number of cells, resistors, capacitors etc.
2. Draw current from one cell( usually with a larger emf) , and follow Kirchhoff’s Current Law for distribution of current.
3. Decide the direction of current –clockwise/anticlockwise as per your convenience.
4. Take voltage as positive or negative i.e. if the current is moving from higher potential to lower potential ,take voltage drop NEGATIVE. If the current is moving from lower potential to higher potential, take voltage drop POSITIVE.
5. Drawing the circuit diagram as per above steps, we get-
6. Using loop rule, let the current in the circuit be $i$. Using battery 1 as source battery( the current is being withdrawn from the first battery).

We have a value of 1A.
7. Potential difference across battery 2 is given by-
${V_2} = {E_2} + i{R_2}$ ( getting charged)
$
{V_{2 = }}2 + 1{R_2} \\
{V_2} = 2 + 3 \\
{V_2} = 5 \\
$
The voltage drop across battery 2 is 5V.
Hence, option (C) is correct.
Note: Kirchhoff’s Second Law is based on the principle of conservation of energy.
Kirchhoff’s First Law , generally known as KCL( Kirchhoff’s Current Law ) is based on the principle of conservation of charge.
Recently Updated Pages
Circuit Switching vs Packet Switching: Key Differences Explained

JEE General Topics in Chemistry Important Concepts and Tips

JEE Extractive Metallurgy Important Concepts and Tips for Exam Preparation

JEE Amino Acids and Peptides Important Concepts and Tips for Exam Preparation

JEE Atomic Structure and Chemical Bonding important Concepts and Tips

Electricity and Magnetism Explained: Key Concepts & Applications

Trending doubts
JEE Main 2026: Session 2 Registration Open, City Intimation Slip, Exam Dates, Syllabus & Eligibility

JEE Main 2026 Application Login: Direct Link, Registration, Form Fill, and Steps

JEE Main Marking Scheme 2026- Paper-Wise Marks Distribution and Negative Marking Details

Understanding the Angle of Deviation in a Prism

Hybridisation in Chemistry – Concept, Types & Applications

How to Convert a Galvanometer into an Ammeter or Voltmeter

Other Pages
JEE Advanced Marks vs Ranks 2025: Understanding Category-wise Qualifying Marks and Previous Year Cut-offs

Dual Nature of Radiation and Matter Class 12 Physics Chapter 11 CBSE Notes - 2025-26

Understanding Uniform Acceleration in Physics

Understanding the Electric Field of a Uniformly Charged Ring

JEE Advanced Weightage 2025 Chapter-Wise for Physics, Maths and Chemistry

Derivation of Equation of Trajectory Explained for Students

